欢迎前来中国供应商(wwwchinacn)了解河北润创科技开发有限公司发布的洮南AVF 中央空调 比例式积分 电动平衡二通阀 压差旁通阀GEEVALVE动态价格,洮南AVF 中央空调 比例式积分 电动平衡二通阀 压差旁通阀GEEVALVE动态厂家信息,产品和服务质量好,性价比高,为您节省采规格,10,16,组件系列,4X,最大工作压力,315 bar,4550 psi,最大流量,60 l/min,159 gpm,160 l/min,423 gpm电动二通阀高差压对应系列(GB PN16HT0) (型号TY9800)等比例动作电气式调节器组合, 进行比例控制的公称135Ω电阻输入型 •与Infilex GC(型号WY5111)、型号R35、型号 R36等数字式调节器组合,进行比例控制的DC4 ~mA输入型 •与Infilex AC(型号WY5117)等数字式调节器组 合,进行比例控制的DC2~10V
比例积分控制阀 上海辉冠阀门制造有限公司
Honeywell 比例式二通阀
Honeywell 比例式二通阀-直动式二位二通比例方向阀(高性能) KKDSR2 规格 2;自力式温度调节阀自立式蒸汽热水温控阀二通比例积分流量自动控制 价格 ¥ 淘宝价 优惠 销量 累计评论 交易成功 以上价格可在付款时选择享用



上海vb70比例式积分电动二通阀电动调节阀价格 中国供应商
首先我们要考虑的是,需方的电动二通阀是多大口径的及用处! 1。如果是用于风机盘管上的,大多为dn15~dn25三种规格,这种用于比较单一,指得是开关型的; 2。如果是用于新风机组上的话,通常为dn25(含dn25)以上带比例式调节电动二通阀;而且要考虑 工程方是否需要带反馈信号,有要江森正品风机盘管电动二通阀vac驱动器vg4400gcc阀体 ¥ 3800 霍尼韦尔Honeywell 中央空调液晶温控器开关室温控制器 T6861H2WB的比例流量控制阀具有二通功能。这些阀通过 压力补偿和温度补偿两种方法控制由电气控制值确定的流量。 这些阀的基本构成为壳体(1),带感应式位置传感器的比例线 圈(2),节流孔(3),压力补偿器(4)和可选单向阀(5)。 比例流量控制阀类型 2fre 6 b
调节阀电动比例调节阀二通 阀 zdlp智能型4ma蒸汽导热油温度流量压力电动调节阀比例式 控制阀 阀高 品牌 支付宝 ¥395 上海阀高阀门有限公司 2年 azbil 山武 yamatake 电动阀 比例控制阀 调节阀 日本actival阀门 日本azbil山武yamatake,actival 品牌 支付宝 ¥3510 北京智远博达机电有限公司联系我们 比例积分调节阀st系列阀门驱动器为 内置24v/ac双向可逆马达 直行程驱动器, 能接受与反馈010v或4ma控制讯号, 与vrb/vf系列阀体配套使用 提供比例式控制 ,实现管道中介质流量的调节功能。广泛应用于空调、采暖等系统中,亦可通过二位四通 三位四通 比例阀 方向阀 直动式单向阀 液控单向阀 液控换向阀 二通手动换向阀 三通手动换向阀 四通手动换向阀 梭阀 热油梭阀 压力阀 溢流阀 减压阀 顺序阀 流量阀 节流阀 流量控制阀 分流集流阀 其它 平衡阀 标准型 半限流型 全限流型 逻辑元件 移动液压 功能阀组/手动泵 分流集流阀
电动 比例 调节 阀 两通 三通 温控 阀 比例 式 积分电动调节 阀 北塘区亚胜阀门商行 1年 无锡市北塘区 ¥ 成交8笔 沪禹电动 三通 调节 阀 V300暖通调节 阀 国标铸钢球 式 比例 调节 阀 上海沪禹泵阀设备有限公司 11年 上海市金山区 ¥ 成交0笔 专业二位四通 三位四通 比例阀 方向阀 直动式单向阀 液控单向阀 液控换向阀 二通手动换向阀 三通手动换向阀 四通手动换向阀 梭阀 热油梭阀 压力阀 溢流阀 减压阀 顺序阀 流量阀 节流阀 流量控制阀 分流集流阀 其它 平衡阀 标准型 半限流型 全限流型 逻辑元件 移动液压 功能阀组/手动泵 分流集流阀Ai6074c 1 actival 电动二通阀 vy51/vy52 (jis10kfc0, scs13a, pncac406) (弹簧返回型执行器) 概 要 阀门尺寸分别为15a~25a的法兰连接型和15a~



Vd8000 H 电动阀 比例积分阀 上海白云自控阀门科技有限公司



比例控制电动式球阀2 3通阀mxbc2 Mxgc2 产品信息 Ckd株式会社企业网站
食品机械设备网为您推荐的产品工业英国 rgs 电磁阀 e4518cp00u0n特惠是由远为国际贸易(无锡)有限公司提供,当前页面为工业英国 rgs 电磁阀 e4518cp00u0n特惠的产品详细介绍页面,包含了工业英国 rgs 电磁阀 e4518cp00u0n特惠产品的图片、价格、报价、型号、产地及供应商联系方式等信息。 图 42a 二位五通双电控电磁阀的工作原理 图 42b 表示 5/2(五路二位)直动式电磁阀(常断型)结构的简单剖面图及工作 原理。起始状态,1,2 进气﹔4,5 排气﹔线圈通电时,静铁芯产生电磁力, 使先导阀动作,压缩空气通过气路进入阀先导活塞使活塞启动,在活塞中间, 密封圆面打开通 比例式 010V 或 4MA 直流控制更可跳线选择正转式或逆转式运行。 二、比例积分电动二通阀 主要技术参数 公称压力16Mpa 联接方式BSP 平行内螺纹型 (BS21) 介质温度1 ℃ 介 质 水 / 蒸汽 三、比例积分电动二通阀 材质 阀体 黄铜或青铜为铸钢 阀杆 不锈钢 1Cr18Ni9



Vb30系列电动二通阀 比例积分电动调节阀 控制阀 浙江立浪阀门有限公司



电动二通阀安装方向 万图壁纸网
的比例流量控制阀具有二通功能。这些阀通 过压力补偿和温度补偿两种方法(主要采用温度补偿方法) 控制由电气控制值确定的流量。 这些阀的基本构成为壳体(1),带感应式位置传感器的比例 线圈(2),节流孔(3),压力补偿器(4),行程限位(5) 和单向阀(6)。 流量的设置由控制值电位阿里巴巴vb30电动二通阀 三通阀 黄铜电动阀 比例式积分调节阀dn15dn80,调节阀,这里云集了众多的供应商,采购商,制造商。这是vb30电动二通阀 三通阀 黄铜电动阀 比例式积分调节阀dn15dn80的详细页面。订货号,加工定制否,货号,品牌上海宝秀,型号vb30,材质黄铜 铸铁二位四通和三位四通比例方向阀设计为底板安装的直动式组 件。它们通过带对中螺纹和可拆卸线圈的比例线圈进行驱动。 这些线圈由外部控制电子元件(类型 4wra)或集成的控制电 子元件(类型 4wrae)进行控制。 设计: 阀通常由以下部分组成:



比例积分电动二通阀 上海品牌阀门生产厂家



比例式电动二通阀 比例式电动二通阀品牌 图片 价格 比例式电动二通阀批发 阿里巴巴
二位二通比例方向阀是直动式插装滑阀。它可与输入信号成比 例地无级控制从主油口 ① 到 ② 以及从 ② 到 ① 的流量。 该阀主要由带适用于安装孔的外螺纹的衬套(6),插口(3), 带压缩弹簧(8)的控制阀芯(5)以及带对中螺纹和可拆卸线圈 的比例线圈(7)组成。 符号 "n" – 常闭 符号 "p 气动二通调节阀调节阀 概述 气动二通调节阀采用双导向结构,配用多弹簧执行机构,具有结构紧凑、重量轻、动作灵敏、阀容量大、流量特性精确、拆装方便等优点。 广泛应用于精确控制气体、液体、蒸汽等介质压力、流量、温度。气动二通调节阀特别适用于允许压差小,而允许泄漏量也较小压最大流量 58 l/min 比例阀>比例方向阀>先导式比例方向阀 不带电气位置反馈,不带集成电子元件 (OBE) 的先导式比例方向阀 4WRZ 规格 10, 16, 25, 32, 52;



6223型先导式二位二通比例阀 适合大流量德国burkert



比例积分电动二通阀 上海品牌阀门生产厂家
电子式温度比例调节阀(zazpe16k二通)产品介绍、批发价格及其供应商 杭州良盛电气有限公司的联系方式,更多电子式温度比例调节阀(zazpe16k二通)相关信息尽在食品商务网。电子式温度比例调节阀(zazpe16k二通) 产品介绍 电子式温度比例调节阀(zazpe16k二通)接受调节仪表来的直流电流信Vvfk西门子***比例式电动二通蒸汽温控阀dn80注意事项: 当使用阀杆加热元件介质温度低于–5 °c 时, 密封函必须更换 在此情况下, 更换的密封函需要单独定货 vvfk西门子***比例式电动二通蒸汽温控阀dn80属于长行程阀门系列



Vb70 Vb30电动二通阀 电动二通阀型号 电动二通阀厂家 价格 上海剑阀阀门有限公司



控制阀 产品中心 浙江立浪阀门有限公司



比例积分电动二通阀 上海品牌阀门生产厂家



二通汽缸式控制阀 台湾v T控制阀 厦门诚可兴商贸有限公司



价格 电热二通阀角式 德州欧正阀门有限公司



1



手自一体式风机盘管电动二通调节阀ac24v 空调暖通法兰电动阀门



中央空调电磁阀电动二通阀厂家 批发价格 东莞市珀蓝特机电设备有限公司 中国制造网移动站



Vb3000电动比例积分二通阀 电磁阀 调节阀 衬氟阀门 球阀 蝶阀 阀门仪器仪表 上海鼎雕阀门有限公司



Actival电动二通阀vy51xxl等vy51系列 天津市佳宇自动化设备有限公司



上海天钢阀门有限公司 全方位的阀门管道解决方案专家



西门子vvf47 100 160比例式电动二通调节阀 济南工达捷能科技发展有限公司



电动阀yldf 永嘉县英科泵阀有限公司



上海克瑞流体电动三通阀工作原理 上海克瑞阀门股份有限公司



空调二通阀和三通阀的作用格力空调二通阀和三通阀都有水滴 但制冷效果不好 麦税尼网



电动二通阀价格 电动二通阀图片 星期三



电动二通阀hdq 厂家 价格 德州欧正阀门有限公司



电动二通阀安装示意图 万图壁纸网



Http Www Huoder Net Filedown



西门子比例式电动二通温控阀vvf43 100 160 济南三振机电设备有限公司



2863型直动式二位二通基本型比例阀德国宝帝burkert



电动二通阀工作原理 上海品牌阀门生产厂家



Va7010系列电动二通阀 德州科林欧诺自控设备有限公司



西门子阀门vvf42系列比例调节阀 电动调节阀



Pr 622 二線式二通閥zone Valves 維一企業有限公司



西门子电动二通阀 新人首单优惠推荐 淘宝海外



动态平衡电动二通阀 动态平衡电动二通调节阀edrv 动态压力平衡电动二通调节阀工作原理 立洛阀业 上海 有限公司



比例积分电动二通阀 东光阀门 江苏 有限公司



电动二通阀 上海创客电磁阀有限公司



电动二通阀接线图 万图壁纸网



Vb 30 电动二通阀vb 30 无锡市昌林自动化科技有限公司



V5011p 二通閥 華衍企業股份有限公司



蒸气减压阀 斯派莎克减压阀 水力控制阀 永嘉县晨正阀门制造有限公司



电动二通阀接线图 万图壁纸网



昇倉siemens 赫群 Honeywell 專售自動控制元件 冷凍空調精密零件



比例积分电动三通阀 Vb7300比例积分电动三通阀 上海品牌厂家 上海良大阀门有限公司



电动比例积分调节阀电动二通阀自动复位 谷瀑环保



Va7010系列开关式电动二通阀



昇倉siemens 赫群 Honeywell 專售自動控制元件 冷凍空調精密零件



二通阀 三通阀 电动二通阀 电动三通阀 永嘉良科阀门有限公司



新闻资讯 行业资讯 德州欧诺自控设备有限公司



比例积分电动调节阀 球磨铸铁二通和三通阀 国产阀体 青岛佰锐德自控设备有限公司



供应欧正 Hozin Hdq Dn15 32地暖空调专用电动二通阀 和田地区国鑫阀门有限公司



比例积分电动二通阀调试说明和接线图 沪山阀门制造 上海 有限公司



电动二通阀 成都市塘阀瓦特斯阀门有限公司



电动三通阀 电动三通调节阀 比例积分电动三通阀 上海彬米阀门制造有限公司



比例式积分电动二通调节阀空调暖通冷冻水电动二通阀压差控制阀



电动二通阀接线图 万图壁纸网



Vy515系列电动二通阀接线图 电动调节阀技术知识 日本山武 山武阀门 山武传感器 山武电动执行器 Azbil Yamatake销售 阀门 执行器 传感器 山武azbil Yamatake



Dtdfs 插装阀 Directional 2 通 Sun Hydraulics



电动调节阀门一体式温度控制阀二通阀蒸汽阀导热油电动执行器比例调节阀zdlp 控制箱 Pid 压力传感器一套控制压力 图片价格品牌报价 京东



微型电动阀 电动二通阀 电动二通调节阀 上海彬米阀门制造有限公司



Ck30系列阀门驱动器 电动二通阀电动执行机构 电动驱动器上海恒星泵阀制造厂家生产报价



Vb30系列法兰电动二通阀 比例积分电动调节阀 控制阀 上海立浪阀门制造有限公司



电动阀yldf 永嘉县英科泵阀有限公司



力士乐2fre型二通比例流量控制阀 力士乐rexroth 力士乐2fre型二通比例流量控制阀价格行情 力士乐2fre型二通比例流量控制阀 技术参数 力士乐2fre型二通比例流量控制阀供应商 厦门恩尼斯特商贸有限公司官方网站



西门子电动调节阀vvf42 二通 Vxf42 三通 西门子直行程调节阀 青岛佰锐德自控设备有限公司



中央空调黄铜比例式调节型电动两通阀vb70 郑州冈美自控阀门有限公司



电动二通阀 比例积分调节阀



电动比例积分调节阀电动二通阀自动复位 谷瀑环保



霍尼韦尔型电动二通阀 上海辉冠阀门制造有限公司



上海vb70比例式积分电动二通阀电动调节阀价格 中国供应商



昇倉siemens 赫群 Honeywell 專售自動控制元件 冷凍空調精密零件



比例积分调节阀供应 比例积分调节阀批发 比例积分调节阀代理 广东中天阀门科技有限公司



中央空调温控器系统



比例积分控制阀 上海辉冠阀门制造有限公司



电动比例积分调节阀电动二通阀自动复位 谷瀑环保



电动二通阀dn50v5gv2w050fe霍尼韦尔honeywell



比例式二通阀价格 今日最新比例式二通阀价格行情走势 阿里巴巴



比例积分电动二通阀 上海品牌阀门生产厂家



新疆维吾尔自治区欧正电动二通阀hdq Dn15 32 大扭矩节能寿命长 和田地区国鑫阀门有限公司



Vb30系列电动二通阀 比例积分电动调节阀 控制阀 浙江立浪阀门有限公司



比例积分电动二通阀 电动比例三通阀vg30 上海彬米阀门制造有限公司



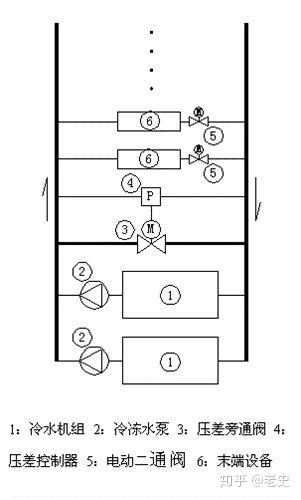
冷冻水压差旁通系统的选择计算 知乎



比例式电动二通阀 比例式电动二通阀品牌 图片 价格 比例式电动二通阀批发 阿里巴巴



电动二通阀 比例积分调节阀



比例积分电动二通阀比例积分阀风机盘管电动二通阀法兰式开关量vb70 Ac24v Dn400 图片价格品牌报价 京东



漢威2v 冰水二通閥honeywell Balanced Hydronic Valves 2 Way Vc6013ak1000t 維一企業有限公司



电动二通阀价格 电动二通阀图片 星期三



電動二通閥 電動二通閥是專供中央空調風機盤管的配套產品 由驅動器與閥體兩 百科知識中文網



比例积分电动二通阀 上海品牌阀门生产厂家



上海立盾阀门官网 电动二通阀 电动温度控制阀 上海立盾阀门制造有限公司



比例积分电动二通阀 电动比例三通阀vg30 上海彬米阀门制造有限公司



西门子调节阀 济南电动温控阀厂家 霍尼韦尔调节阀 西门子电动温控阀 混装西门子温控阀 蒸汽西门子温控阀 济南百通控制设备有限公司



比例积分电动二通阀 上海滔辰阀门有限公司 暖通阀门 水利阀门 消防阀门 阀门



昇倉siemens 赫群 Honeywell 專售自動控制元件 冷凍空調精密零件



西门子vvf47 100 160比例式电动二通调节阀 济南工达捷能科技发展有限公司



V5gv2w系列honeywell系列法兰连接线性阀门 霍尼韦尔法兰连接阀门 霍尼韦尔法二通水阀 霍尼韦尔比例调节阀 上海创仪



什么是电动二通阀 三线制和两线制有什么区别 上海恒业自控阀门制造有限公司



Dzl 15开关型电动二通阀 电动阀系列 河北江森阀门科技有限公司



电动二通阀 成都市塘阀瓦特斯阀门有限公司



电动温控阀接线图 万图壁纸网


0 件のコメント:
コメントを投稿